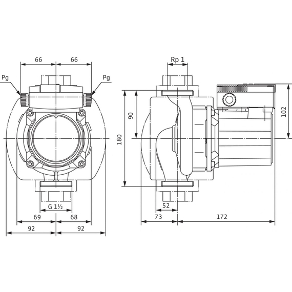
Циркуляционный насос Wilo TOP-Z 25/10 EM PN6/10 2061964

MD15428573

No reviews found